欢迎进入上海意威阀门有限公司官方网站!

产品分类
 进口阀门系列
 闸阀--系列
 蝶阀--系列
 球阀--系列
 减压阀-系列
 疏水阀-系列
 截止阀-系列
 止回阀-系列
 真空阀门-系列
 安全阀-系列
 旋塞阀-系列
 阻火器-系列
 呼吸阀-系列
 过滤器-系列
 调节阀-系列
 电磁阀-资料
 排气阀-系列
 放料阀-系列
 平衡阀-系列
 针型阀-系列
 柱塞阀-系列
 排泥阀-系列
 隔膜阀-系列
 管夹阀-系列
 气动角座阀
 底阀--系列
 陶瓷阀门
 衬胶阀门
 衬氟阀门
 液压阀门
 天然气阀门
 水力控制阀
 视镜--系列
 产品搜索
 业务联系
 人才招聘
 客服电话
 在线联系
   首页 - 产品展厅 - 产品介绍  
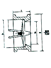
  产品名称: 对夹蝶型止回阀
  产品型号: H76X
  对夹蝶型止回阀价格
 
  咨询电话:021-34715863 销售部
 相关产品
 对夹式蝶形止回阀
 对夹蝶型止回阀
 

对夹蝶型止回阀

上海意威阀门专业生产对夹碟型止回阀,铸铁对夹碟型止回阀,球墨铸铁对夹碟型止回阀,铸钢对夹碟型止回阀,H76X对夹碟型止回阀。

H76X型对夹蝶型止回阀概述:
    本厂生产的H76X型对夹式止回阀由阀体、阀瓣、阀杆及弹簧等零件组成,采用对夹连接。H76X型对夹蝶型止回阀由于阀瓣的关闭行程短,并且有弹簧加载,可显著减少水锤现象。H76X型对夹蝶型止回阀主要适用于城市、工业及高层建筑给水、排水管网上。由于其结构长度比一般止回阀短,对有安装空间限制的场所最为适用。

H76X型对夹蝶型止回阀主要零部件材料:

零件名称

阀体 阀瓣 阀杆 弹簧 阀座
材 料

铸铁、铸钢

碳钢 不锈钢 不锈钢 丁腈 橡胶
H76X型对夹蝶型止回阀主要技术参数:
型 号 公 称 压 力 PNMPa 强度试验压力MPa 密封试验压力MPa 适用 温度 适用 介质
H76X-10 1.0 1.5 1.1 ≤80℃

清水

污水

H76X-16 1.6 2.4 1.76

 

全国服务热线
021-34715863